⚙️Information Pièces Husqvarna ≤ 2013⚙️

Nous souhaitons vous informer que les pièces Husqvarna antérieures ou égales à 2013 ne sont malheureusement plus disponibles chez nous, Husqvarna Autriche n’en assurant plus la distribution.

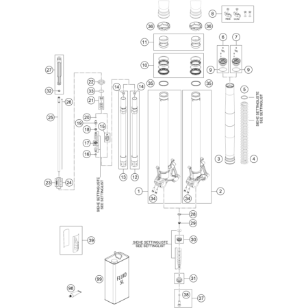
Pièces chassis HUSQVARNA 901 NORDEN EXPEDITION 2025

Vues éclatées des pièces détachées chassis pour HUSQVARNA 901 NORDEN EXPEDITION 2025